
膜盒壓力表YE-60/100/150系列
膜盒壓力表適用于測量對銅合金不起腐蝕作用,無爆炸危險的微壓和負壓。 廣泛用于鍋爐通風和氣體管道等設備上,膜盒壓力表可以就地安裝并現場指示。
型號命名:
技術參數:
|
型號 |
結構形式 |
精確度% |
測量范圍 KPa |
|
YE-60 |
徑向無邊 |
±2.5 |
0~2.5;0~4;0~6;0~10;0~16;0~25;0~40;-4~0;-6~0;-10~0;-16~0;-25~0;-40~0;
|
|
YE-60T |
徑向帶后邊 |
||
|
YE-60Z |
軸向無邊 |
||
|
YE-60ZQ |
軸向帶前邊 |
||
|
YE-100 |
徑向無邊 |
||
|
YE-100T |
徑向帶后邊 |
||
|
YE-100Z |
軸向無邊 |
||
|
YE-100ZQ |
軸向帶前邊 |
||
|
YE-150 |
徑向無邊 |
||
|
YE-150T |
徑向帶后邊 |
||
|
YE-150Z |
軸向無邊 |
||
|
YE-150ZQ |
軸向帶前邊 |
||
|
注:軸向可按要求帶方形前邊。 |
|||
使用工作溫度:-40℃~70℃
膜盒壓力表執行標準:Q/320211 DGH02-2003
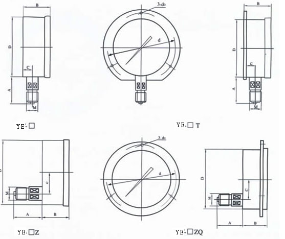
外形尺寸:
|
型 號 |
外形尺寸 mm |
||||||
|
A |
B |
C |
D |
d |
d0 |
M |
|
|
YE-60 |
31 |
32 |
14 |
60 |
/ |
/ |
14×1.5 |
|
Y-60T |
31 |
32 |
15 |
75 |
3.4 |
||
|
YE-60Z |
30 |
32 |
0 |
/ |
/ |
||
|
YE-60ZQ |
30 |
32 |
0 |
75 |
3.4 |
||
|
YE-100 |
44 |
45 |
18 |
100 |
/ |
/ |
20×1.5 |
|
YE-100T |
44 |
46 |
19 |
118 |
5.5 |
||
|
YE-100Z |
43 |
45 |
34 |
/ |
/ |
||
|
YE-100ZQ |
43 |
45 |
44 |
118 |
5.5 |
||
|
YE-150 |
50 |
47 |
19 |
149 |
/ |
/ |
20×1.5 |
|
YE-150T |
50 |
48 |
20 |
165 |
5.5 |
||
|
YE-150Z |
51 |
47 |
55 |
/ |
/ |
||
|
YE-150ZQ |
51 |
47 |
55 |
165 |
5.5 |
||
|
注:連接螺紋可按要求訂貨. |
|||||||

18936753456(陳經理)
公司電話:0517-86883884
售后服務:15952323398





